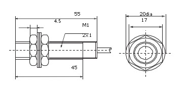
KJT-CS12GW型耐高溫轉速傳感器
- 電源電壓:8-30VDC
- 電流消耗:適合大15mA
- 輸出信號Vo:推挽式輸出Imax=+/-20mA,Ulow<2.5V,Uhigh>Usupply-3.5V
- 頻率范圍:0-15KHz
- 空氣間隙:模數1:0.2to0.6mmm;模數2:0.2to1.5mm
- 抗震性:5gn(5…2000Hz范圍內)
凱基特耐高溫轉速傳感器核心部件是采用耐高溫的磁敏電阻作為檢測的元件,再經過全新的信號處理電路使其適用于高溫環境,功能更完善已成功應用于眾多有高溫工況要求的設備。可在120℃高溫穩定工作需要長期工作在高溫環境下的轉速傳感器,經得住溫度和環境考驗,傳輸信號穩定,使用壽命長。

| 電源電壓 | 8-30VDC |
| 電流消耗 | 適合大15mA |
| 輸出信號Vo | 推挽式輸出Imax=+/-20mA,Ulow<2.5V,Uhigh>Usupply-3.5V |
| 頻率范圍 | 0-15KHz |
| 空氣間隙 | 模數1:0.2to0.6mmm;模數2:0.2to1.5mm |
| 抗震性 | 5gn(5…2000Hz范圍內) |
| 抗沖擊 | 50gn(20ms期間內,半正弦波) |
| 防護等級 | 傳感器頭部:IP68;電纜銜接部分和連接器:IP67 |
| 溫度范圍 | -40°C…+120°C |






